一、DC-DC升壓電路概述
DC-DC升壓電路是一種至關重要的電路類型,其核心功能在于將較低的直流電壓轉換為較高的直流電壓,從而有效提升電源的輸出電壓水平。這種電路在眾多領域都有著廣泛的應用,尤其是在電源管理、電池供電設備以及各類需要精準電壓調節的場景中,發揮著不可或缺的作用。
二、Boost升壓電路工作原理
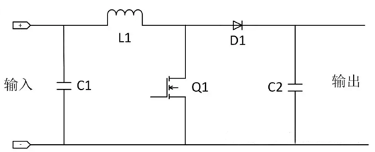
Boost升壓電路,也被稱為自舉電路,其工作原理主要依賴于電感、電容的特性以及開關元件(如MOS管)的精準控制,以此實現將低電壓輸入信號轉換為高電壓輸出信號的關鍵功能。


當MOS管處于導通狀態時,輸入電壓開始為電感進行充電,此時電感中的電流呈線性增加趨勢,電感逐步儲存能量,與此同時,負載所需的電能則由電容來提供。隨后,當MOS管關閉時,電感內的電流由于電感自身的電流保持特性而維持不變,電感隨即釋放之前儲存的能量,并與輸入電壓協同作用,共同為電容充電,并向負載輸送電能。通過這一過程,輸出電壓得以高于輸入電壓,從而成功實現升壓效果。
值得強調的是,在整個工作過程中,開關管的開關頻率、占空比以及變壓器的匝數比等諸多參數,均會對輸出電壓的幅值和穩定性產生顯著影響。因此,在設計DC-DC升壓電路時,設計人員必須依據實際應用需求,精心選擇合適的參數,并進行細致的調整與優化,以確保電路的性能達到預期目標。
三、關鍵組件解析
開關管:作為DC-DC升壓電路中的核心元件,開關管的性能表現直接關系到電路的輸出電壓水平和整體效率。在實際應用中,常用的開關管類型包括MOSFET、IGBT等,設計人員需根據具體的使用場景和性能要求,合理選擇開關管的類型。
電感/變壓器:變壓器在DC-DC升壓電路中扮演著將輸入的直流電壓轉換為高頻脈沖電壓的關鍵角色,是實現升壓功能的核心部件之一。在設計變壓器時,設計人員需要綜合考慮匝數比、磁芯材料以及繞線方式等多種因素,以確保變壓器的性能滿足電路需求。
整流器和濾波器:整流器的主要功能是將高頻脈沖電壓轉換為直流電壓,而濾波器則用于去除直流電壓中的紋波成分,從而使輸出的直流電壓更加穩定和平滑。在實際電路中,整流二極管是常用的一種整流器件。
四、DC-DC升壓電路構建示例
以下將介紹一個將1.5V直流電壓升壓至5V的DC-DC升壓轉換器的構建方法,構建該升壓電路所需要的組件包括:
1.5V直流電源:作為電路的輸入電源,為整個升壓過程提供初始能量。
180uH電感:用于在電路中儲存和釋放能量,是實現升壓功能的關鍵元件之一。
1個1N3491二極管:充當整流器的角色,將高頻脈沖電壓轉換為直流電壓。
1個33uF電容:起到濾波作用,能夠有效去除輸出直流電壓中的紋波成分,提高輸出電壓的穩定性。
1個150Ω電阻:用于限制電流,保護電路中的其他元件免受過大電流的損壞。
1個MOSFET或JFET開關晶體管:作為電路的開關元件,通過控制其導通和截止狀態,實現電感的充放電過程,進而達到升壓的目的。
PWM源:例如ArduinoUno或555定時器,能夠生成50KHz、5V、75%占空比的PWM信號,為開關晶體管提供驅動信號,控制其開關動作。


五、穩壓型直流升壓電路圖及解析
如下圖所示,這是一種穩壓型直流升壓電路,該電路能夠將一節1.5V的電池升壓至9V,從而可以取代傳統的9V疊層電池使用。在性能方面,該電路在空載時的輸入電流低于1.2mA,轉換效率高達60%,展現出良好的能源利用效率。


在電路構成上,它主要由振蕩電路和穩壓電路兩部分組成。其中,VT1、VT2、C2共同構成振蕩器,產生高頻振蕩信號,為電路的升壓過程提供必要的高頻激勵。色碼電感L則作為儲能電感,在電路中起到儲存和釋放能量的關鍵作用。VD2是整流二極管,負責將高頻脈沖電壓轉換為直流電壓。C3作為輸出濾波電容,能夠有效濾除輸出電壓中的紋波成分,提高輸出電壓的穩定性和平滑性。而VT3、VD1、VD3及R2則組成了穩定輸出電壓的穩壓電路,確保輸出電壓維持在預定的水平。最終,輸出電壓大約等于VD3的穩壓值。
〈烜芯微/XXW〉專業制造二極管,三極管,MOS管,橋堆等,20年,工廠直銷省20%,上萬家電路電器生產企業選用,專業的工程師幫您穩定好每一批產品,如果您有遇到什么需要幫助解決的,可以直接聯系下方的聯系號碼或加QQ/微信,由我們的銷售經理給您精準的報價以及產品介紹
〈烜芯微/XXW〉專業制造二極管,三極管,MOS管,橋堆等,20年,工廠直銷省20%,上萬家電路電器生產企業選用,專業的工程師幫您穩定好每一批產品,如果您有遇到什么需要幫助解決的,可以直接聯系下方的聯系號碼或加QQ/微信,由我們的銷售經理給您精準的報價以及產品介紹
聯系號碼:18923864027(同微信)
QQ:709211280

