窗口比較器,又稱為雙限比較器,具有兩個門限電平,可以檢測輸入模擬信號的電平是否處在給定的兩個門限電平之間。在元件選擇與分類,或對生產現場進行監視與控制時,窗口比較器是很有用的。
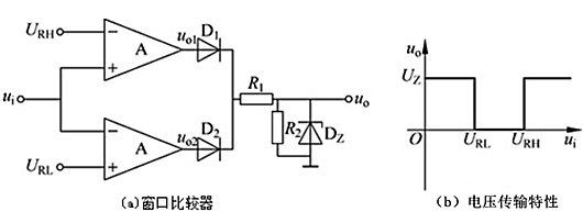
圖為一典型的窗口比較器電路,電路由兩個集成運放組成,輸入電壓ui分別接到運放Al的同相輸入端和A2的反相輸入端,參考電壓UH和UL分別加在Al的反相輸入端和A2的同相輸入端。兩個集成運放的輸出端各通過一個二極管后并聯在一起,成為窗口比較器的輸出端。

典型窗口比較器電路圖設計(一)
單限電壓比較器和滯回電壓比較器在輸入電壓ui單一方向變化時,輸出電壓uo只躍變一次。因此只能檢測出ui與一個參考電壓值的大小關系。如果要判斷ui是否在兩個給定的電壓之間,就要采用窗口比較器。
圖1(a)是一種窗口比較器,外加參考電壓URH》URL,R1、R2和穩壓管DZ構成限幅電路。

圖1 窗口比較器及其電壓傳輸特性
當輸入電壓ui》URH時,uo1=+UOM,uo2=﹣UOM,因而二級管D1導通、D2截止,所以電路的輸出電壓uo=UZ。
當輸入電壓ui《URL時uo1=﹣UOM,uo2=+UOM,因而二級管D1截止、D2導通,所以電路的輸出電壓uo=UZ。
當輸入電壓URL《ui《URH時,uo1=﹣UOM,uo2=﹣UOM,因而二級管D1和D2都截止,所以電路的輸出電壓uo=0。
窗口比較器的電壓傳輸特性如圖1(b)所示。
通過以上3種電壓比較器的分析,可得出以下結論。
①在電壓比較器中,集成運放多工作在非線性區,輸出電壓只有高電平和低電平兩種可能的情況。
②一般用電壓傳輸特性來描述輸出電壓與輸入電壓的函數關系。
③電壓傳輸特性的3個要素是輸出電壓的高電平、低電平,閥值電壓和輸出電壓的躍變方向。輸出電壓的高電平、低電平決定于限幅電路;閥值電壓是使輸出電壓uo從高電平躍變為低電平或者從低電平躍變為高電平的某一輸入電壓;ui等于閥值電壓時輸出電壓的躍變方向決定于同相輸入端和反相輸入端的相對大小關系。
典型窗口比較器電路圖設計(二)

圖 “片”(窗口)比較器
本電路有兩個基準比較端,整定值分別為+5V和-5V。由電路結構可知,只要+5V》IN》-5V,換言之,只在輸入信號在+5V~-5C“該片范圍”之內,電路就會維持原態(或稱靜態)的高電平輸出狀態。反之,IN信號要么高于+5V,要么低于-5V,只要出離了“該片范圍”,N1(或N2)的輸出端即會翻轉,變成低電平狀態。
該電路功能具有其實用意義,如對電機接地故障的檢測,不必要區分是正半波或負半波接地,只要有接地故障產生,即產生報警動作;如用于工作電壓監測,則可方便地限定一個“安全范圍”,在此范圍內設備可正常工作,顯然在此處比較“一片范圍”同相比一個點或段,更具合理性。
由此電路,更可看出專用(開路集電極輸出)比較器的優點:
輸入端(高阻輸入)可以并聯,即多組比較器可以共用一路信號;
輸出端可以并聯。因輸出級獨特的電路結構,可以直接并聯輸出(由R5限流作用不會導致N1、N2內部輸出級電路的損壞)。這在需多路相關信號“集約化處理”和節省后級電路的I/O口上,有重要意義。
典型窗口比較器電路圖設計(三)

此窗口電壓比較器電路圖被用于一個報警設備中的端口電壓值監控。當端口電壓值超過一定范圍時,電路輸出高電平,圖中電壓閥值為1.5V和3V。可以通過改變電阻R152,R146,R174和R170進行設置。
本圖中LM339采用5V供電,而單片機雖說能夠容忍5V電平但穩定和規范設計起見,圖中加了一個電平轉換的三極管Q28。LED燈用于狀態指示。
當端口電壓在1.5V到3V的范圍內時為正常狀態,LED燈不亮,當端口電壓超過1.5V到3V的范圍時LED燈亮起。后期應用中發現,D38的TVS管保護電壓偏低,更換為SMBJ6.5CA,問題解決。
〈烜芯微/XXW〉專業制造二極管,三極管,MOS管,橋堆等,20年,工廠直銷省20%,上萬家電路電器生產企業選用,專業的工程師幫您穩定好每一批產品,如果您有遇到什么需要幫助解決的,可以直接聯系下方的聯系號碼或加QQ/微信,由我們的銷售經理給您精準的報價以及產品介紹
聯系號碼:18923864027(同微信)
QQ:709211280

