NMOS管的主回路電流方向為D極到S極,導通條件為VGS有一定的壓差,即VG-VS>VTH;PMOS管的主回路電流方向為S極到G極,導通條件為VSG有一定的壓差,即VS-VG>VTH。
故一般把NMOS作為下管,S極接地,只要給G極一定電壓即可控制其導通關斷;把PMOS作為上管,S極接VIN,G極給個低電壓即可導通。當然NMOS管也可作為上管,但需要增加自舉驅動電路。
對于一些拓撲,比如Buck、Boost、Buck-Boost這些用NMOS作為上管的拓撲,就沒辦法直接用剛才說的只給G極一個電平來驅動。
假如此時D極接VIN,S極的電壓不定,NMOS管截止時為低電平,導通時接近高電平VIN,需要板子上給G極一個更高的電壓,但此時板子已無比VIN更高的電平了,那么就可以采用自舉驅動電路。

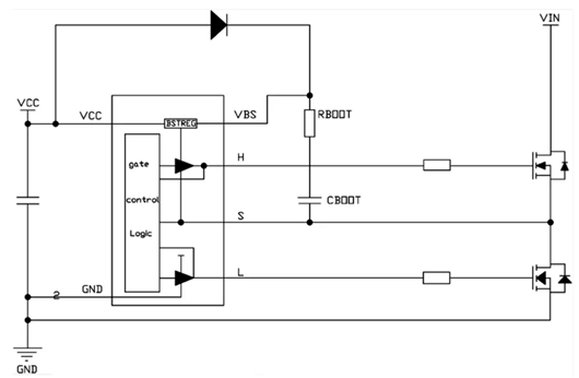
如圖為用于驅動上MOS管的電容自舉驅動電路。該自舉電容通過二極管接到VCC端,下接上MOS管的S極。當驅動電路驅動下MOS管導通時,VCC通過二極管、RBOOT、下MOS管,對CBOOT充電。
充電時間為下MOS管的導通時間,我們定為Toff(上MOS管);當下管關斷后,驅動電路導通上MOS管,CBOOT的下端電壓變為VIN,由于電容兩端電壓不能突變,所以CBOOT上的電壓自然就被舉了起來。
這樣驅動電壓才能高過輸入電壓,就能保持上管持續導通,此時VBOOT的電壓通過RBOOT和內部電路放電,放電時間為Ton(上MOS管)。

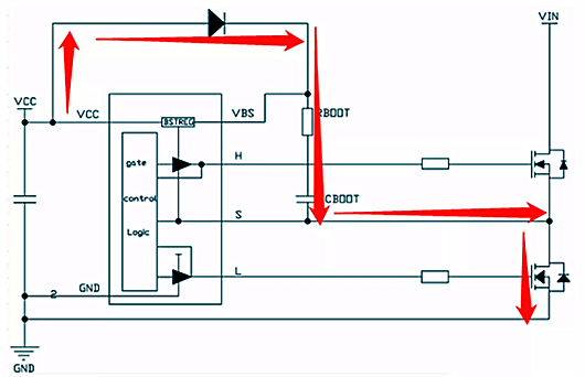
自舉電容充電過程如圖:
下MOS管導通時開始充電,充電電壓對時間的關系如公式一所示:
Vcboot_max = V0 + VCC x [1–exp (-Toff/RC)];
充電電流對時間的關系如公式二所示:
I = CdU/dT = C x △Vcboot/Toff。

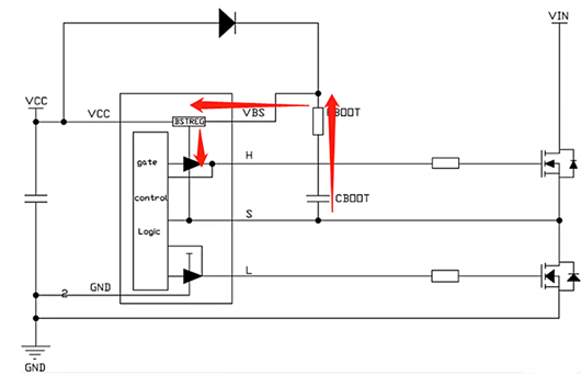
接下來看一下其放電過程:上MOS管導通時開始放電,放電電壓對時間的關系如公式三所示:
Vcboot_min = exp [ -Ton/ (Rtotal x C) ] x Vcboot_max
放電電流對時間的關系如公式四所示:
I = CdU/dT = C x △Vcboot/Ton
至此我們已經掌握自舉驅動電路的“竅門”。
如何正確地選擇合適的電容、電阻呢?
電容的選型主要基于其耐壓值和容量大小。耐壓值要大于等于VCC減去二極管和下MOS管的導通電壓。驅動電路上有其他功耗器件由該電容供電,所以要求電容上的電壓下跌最好不要超過原先值的10%,這樣才能保證驅動電壓。
由以上限制和公式三可推出需要Ton <= (Rtotal x C)x ln0.9。由該式可知Ton的最大值與自舉電容和自舉電阻的大小有關。如果容值太小,其兩端的電壓降會過大,會出現占空比無法展開的情況。
但是容值也不能太大,太大的電容會導致最小Toff變大,電容充不滿電也會導致占空比無法展開,并且會導致二極管在充電的時候沖擊電流過大。
了解完電容后,自舉電阻該怎么選型呢?
自舉電阻的電壓等于充電電流乘以其阻值,所以其耐壓值要大于最大充電電流乘以其阻值;同樣自舉電阻的阻值會影響自舉電容充電時間,也會影響占空比, R越大,所需充電時間越長。
同時自舉電阻阻值的增加會降低上MOS管的驅動電壓,增加Cgs的充電時間,從而降低上MOS管導通時的電壓電流的變化率和SW波尖峰。

圖注:自舉電阻為0Ω時,SW的測試波形
將電阻增大到45Ω時,可以明顯看出自舉電阻越大,SW波上升斜率越小,同時SW的尖峰越小,驗證了前面的結論。

圖注:電阻增大到45Ω時,SW的測試波形
〈烜芯微/XXW〉專業制造二極管,三極管,MOS管,橋堆等,20年,工廠直銷省20%,上萬家電路電器生產企業選用,專業的工程師幫您穩定好每一批產品,如果您有遇到什么需要幫助解決的,可以直接聯系下方的聯系號碼或加QQ/微信,由我們的銷售經理給您精準的報價以及產品介紹
聯系號碼:18923864027(同微信)
QQ:709211280

