逆變器的工作原理
輸入接口部分:
輸入部分有3個信號,12V直流輸入VIN、工作使能電壓ENB及Panel電流控制信號DIM。VIN由Adapter提供,ENB電壓由主板上的MCU提供,其值為0或3V,當ENB=0時,Inverter不工作,而ENB=3V時,Inverter處于正常工作狀態;
而DIM電壓由主板提供,其變化范圍在0~5V之間,將不同的DIM值反饋給PWM控制器反饋端,Inverter向負載提供的電流也將不同,DIM值越小,Inverter輸出的電流就越大。

電壓啟動回路:
ENB為高電平時,輸出高壓去點亮Panel的背光燈燈管。
PWM控制器:
有以下幾個功能組成:內部參考電壓、誤差放大器、振蕩器和PWM、過壓保護、欠壓保護、短路保護、輸出晶體管。
直流變換:
由MOS開關管和儲能電感組成電壓變換電路,輸入的脈沖經過推挽放大器放大后驅動MOS管做開關動作,使得直流電壓對電感進行充放電,這樣電感的另一端就能得到交流電壓。
LC振蕩及輸出回路:
保證燈管啟動需要的1600V電壓,并在燈管啟動以后將電壓降至800V。
輸出電壓反饋:
當負載工作時,反饋采樣電壓,起到穩定Inventer電壓輸出的作用。
其實可以想象一下了。都有哪些電子元件需要正負極,電阻,電感一般不需要。二極管一般壞的可能就是被擊穿只要電壓正常一般是沒有問題的,三極管的話是不會導通的。
穩壓管如果正負接反的話就會損壞了,但一般有的電路加了保護就是利用二極管的單向導通來保護。在就是電容了,電容里有正負之分的就是電解電容了,如果正負接反嚴重的話其外殼發生爆裂。

主要元件二極管。開關管振蕩變壓器。取樣。調寬管。還有振蕩回路電阻電容等參開關電路原理。
逆變器的主功率元件的選擇至關重要,目前使用較多的功率元件有達林頓功率晶體管(BJT),功率場效應管(MOSFET),絕緣柵晶體管(IGBT)和可關 斷晶閘管(GTO)等,
在小容量低壓系統中使用較多的器件為MOSFET,因為MOSFET具有較低的通態壓降和較高的開關頻率,在高壓大容量系統中一般 均采用IGBT模塊,
這是因為MOSFET隨著電壓的升高其通態電阻也隨之增大,而IGBT在中容量系統中占有較大的優勢,而在特大容量(100KVA以 上)系統中,一般均采用GTO作為功率元件 。
大件:場效應管或IGBT、變壓器、電容、二極管、比較器以及3525之類的主控。交直交逆變還有整流濾波。
功率大小和精度,關系著電路的復雜程度。
IGBT(絕緣柵雙極晶體管)作為新型電力半導體場控自關斷器件,集功率MOSFET的高速性能與雙極性器件的低電阻于一體,具有輸入阻抗高,電壓控制功耗低,控制電路簡單,耐高壓,承受電流大等特性,在各種電力變換中獲得極廣泛的應用。
與此同時,各大半導體生產廠商不斷開發IGBT的高耐壓、大電流、高速、低飽和壓降、高可靠性、低成本技術,主要采用1um以下制作工藝,研制開發取得一些新進展。
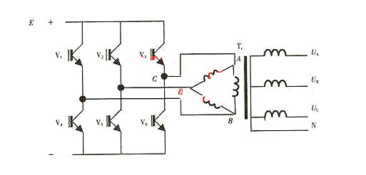
1、全控型逆變器工作原理
為通常使用的單相輸出的全橋逆變主電路,交流元件采用IGBT管Q11、Q12、Q13、Q14。并由PWM脈寬調制控制IGBT管的導通或截止。
當逆變器電路接上直流電源后,先由Q11、Q14導通,Q1、Q13截止,則電流由直流電源正極輸出,經Q11、L或感、變壓器初級線圈圖1-2,到Q14回到電源負極。
當Q11、Q14截止后,Q12、Q13導通,電流從電源正極經Q13、變壓器初級線圈2-1電感到Q12回到電源負極。
此時,在變壓器初級線圈上,已形成正負交變方波,利用高頻PWM控制,兩對IGBT管交替重復,在變壓器上產生交流電壓。由于LC交流濾波器作用,使輸出端形成正弦波交流電壓。
當Q11、Q14關斷時,為了釋放儲存能量,在IGBT處并聯二級管D11、D12,使能量返回到直流電源中去。

2、半控型逆變器工作原理
半控型逆變器采用晶閘管元件。Th1、Th2為交替工作的晶閘管,設Th1先觸發導通,則電流通過變壓器流經Th1,同時由于變壓器的感應作用,換向電容器C被充電到大的2倍的電源電壓。
按著Th2被觸發導通,因Th2的陽極加反向偏壓,Th1截止,返回阻斷狀態。這樣,Th1與Th2換流,然后電容器C又反極性充電。如此交替觸發晶閘管,電流交替流向變壓器的初級,在變壓器的次級得到交流電。
在電路中,電感L可以限制換向電容C的放電電流,延長放電時間,保證電路關斷時間大于晶閘管的關斷時間,而不需容量很大的電容器。
D1和D2是2只反饋二極管,可將電感L中的能量釋放,將換向剩余的能量送回電源,完成能量的反饋作用。
〈烜芯微/XXW〉專業制造二極管,三極管,MOS管,橋堆等,20年,工廠直銷省20%,上萬家電路電器生產企業選用,專業的工程師幫您穩定好每一批產品,如果您有遇到什么需要幫助解決的,可以直接聯系下方的聯系號碼或加QQ/微信,由我們的銷售經理給您精準的報價以及產品介紹
〈烜芯微/XXW〉專業制造二極管,三極管,MOS管,橋堆等,20年,工廠直銷省20%,上萬家電路電器生產企業選用,專業的工程師幫您穩定好每一批產品,如果您有遇到什么需要幫助解決的,可以直接聯系下方的聯系號碼或加QQ/微信,由我們的銷售經理給您精準的報價以及產品介紹
聯系號碼:18923864027(同微信)
QQ:709211280

