4N65場效應管參數,4N65參數規格書代換
4N65場效應管,4A 650V,4N65參數資料,4N65引腳圖,4N65中文資料規格書PDF

4N65場效應管,4A 650V,4N65參數資料,4N65引腳圖,4N65中文資料規格書PDF

4N65/TO-220F參數封裝:點擊查看

4N65封裝有TO-220/TO-220F/TO-252
Drain-Source Voltage 漏源電壓Vds:650V
Gate-Source Voltage 柵源電壓Vgs:±30V
Continuous Drain Current 漏極電流Id Tc=25℃:4A
Continuous Drain Current 漏極電流Id Tc=100℃:2.7A
Power Dissipation 功率損耗Pd:50W
Static Drain-Source On-Resistance 導通電阻ID=2.0A,VGS=10V:2.5Ω
Junction and Storage Temperature Range 溫度范圍:-55~+150℃
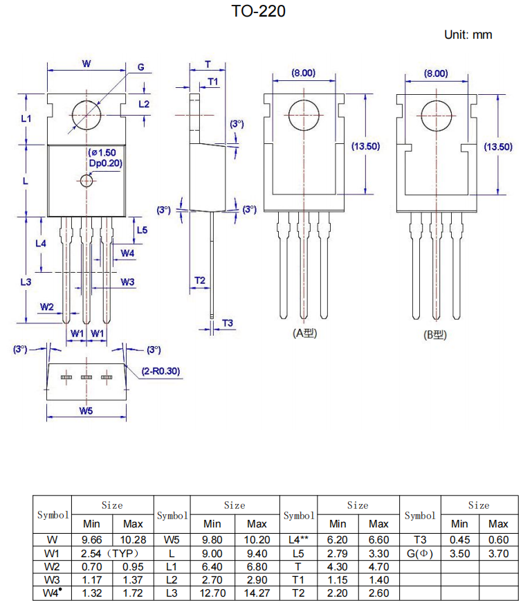
4N65場效應管/TO-220封裝尺寸:


4N65場效應管/TO-220F封裝尺寸:


4N65場效應管/TO-252封裝尺寸:


聯系號碼:18923864027(同微信)
QQ:709211280
烜芯微專業制造二極管,三極管,MOS管,橋堆等,20年,工廠直銷省20%,上萬家電路電器生產企業選用,專業的工程師幫您穩定好每一批產品,如果您有遇到什么需要幫助解決的,可以直接聯系上方的聯系號碼或加QQ,由我們的銷售經理給您精準的報價以及產品介紹


