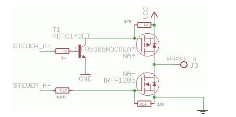
首先看看管子:

驅動電路示意:


我把信息反饋給了空調供應商,等回復。
首先要明確一個概念,模擬電路不是軟件編程、非 0 即 1,而是一個連續變化的過程。無論是電容上的電壓還是電感上的電流,都不能突變,否則將產生災難性的后果。上跳沿和下降沿并不是越陡峭越好,有時候在設計中甚至故意添加一些電阻讓上升下降沿變得平緩以保護元器件。當然,如果你能在確保安全的情況下,盡可能能地提高上升下降沿的頻率的話,你就是模電設計高手了。
先來看 R17,它有三個作用,其一是防止震蕩,其二是減小柵極充電峰值電流,其三是保護 NA-場效應管的 D-S 極不被擊穿。
先來看第一點,一般單片機的 I/O 輸出口都會帶點雜散電感,在電壓突變的情況下可能和柵極電容形成 LC 振蕩,當它們之間串上 R17 后,可增大阻尼而減小振蕩效果。
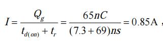
第二,當柵極電壓拉高時,首先會對柵極電容充電,充電峰值電流可大致計算為:
可見已經超過了單片機的 I/O 輸出能力,串上 R17 后可放慢充電時間而減小柵極充電電流。

第三,當柵極關斷時,NA-管的 D-S 極從導通狀態變為截止狀態時,漏源極電壓VDS 會迅速增加,如果 過大,就會擊穿器件,所以添加 R17 可以讓柵極電容慢慢放電,而不至于使器件擊穿,100 歐是比較通用的做法。
接下來看 R16,其作用是下拉型抗干擾電阻。當單片機剛上電時,I/O 口一般都處于高阻態,如果沒有 R18,柵極電壓就處于懸浮狀態,可能意外使場效應管導通,R16 的選值范圍沒啥特別的講究,筆者曾經用 1.8k 和 180k 都仿真過,看不出對輸出波形有明顯影響。
再接下來看 R2,它的作用是上拉 NA+場效應管的柵極,其阻值不能太小,太小會造成三極管導通時承受過大的電流;同樣,阻值也不能太大,太大會導致場效應管的柵極電壓上升緩慢,而影響開關性能。關于這點再多說兩句,如果阻值太大,這個時候的影響場效應管開關速度的瓶頸不在MOSFET的柵極電容上,而是在三級管的BC極電容上!當STEUER_A+從低電平變高電平后,VCC 首先會通過 R2 給三級管的 BC 極電容充電,如果 R2 太大會導致充電速度緩慢,從而導致 R2 兩端電壓變化緩慢,進而影響場效應管的柵源極電壓上升速度。網友 lijieamd 兄做了個很有意義的實驗:在三極管的 BC 極并了個鉗位二極管,強制不給 BC 極電容充電,然后發現場效應管的上升下降沿都有明顯的改善。
最后看 R3,是三級管的基極電阻,這個沒啥特別的講究,只要確保三極管能正常工作在放大區就可以了。
以上就是對各電阻作用的定性分析。
電話:18923864027(同微信)
QQ:709211280
〈烜芯微/XXW〉專業制造二極管,三極管,MOS管,橋堆等,20年,工廠直銷省20%,上萬家電路電器生產企業選用,專業的工程師幫您穩定好每一批產品,如果您有遇到什么需要幫助解決的,可以直接聯系下方的聯系號碼或加QQ/微信,由我們的銷售經理給您精準的報價以及產品介紹