放大器電路的分類
本文介紹MOS管功率放大器電路圖,先來看看放大器電路的分類,按功率放大器電路中晶體管導通時間的不同可分:甲類功率放大器電路、乙類功率放大器電路和丙類功率放大器電路。
甲類功率放大器電路,在信號全范圍內均導通,非線性失真小,但輸出功率和效率低,因此低頻功率放大器電路中主要用乙類或甲乙類功率放大電路。
功率放大器是根據信號的導通角分為A、B、AB、C和D類,我國亦稱為甲、乙、甲乙、丙和丁類。
功率放大器電路的特殊問題
(1)放大器電路的功率
功率放大器電路的任務是推動負載,因此功率放大電路的重要指標是輸出功率,而不是電壓放大倍數。
(2)放大器電路的非線形失真
功率放大器電路工作在大信號的情況時,非線性失真時必須考慮的問題。因此,功率放大電路不能用小信號的等效電路進行分析,而只能用圖解法進行分析。
(3)放大器電路的效率
效率定義為:輸出信號功率與直流電源供給頻率之比。放大電路的實質就是能量轉換電路,因此它就存在著轉換效率。
常用MOS管功率放大器電路圖
MOS管功率放大器電路圖是由電路穩壓電源模塊、帶阻濾波模塊、電壓放大模塊、功率放大模塊、AD轉換模塊以及液晶顯示模塊組成。
(一)MOS管功率放大器電路圖-系統設計
電路實現簡單,功耗低,性價比很高。該電路,圖1所示是其組成框圖。電路穩壓電源模塊為系統提供能量;帶阻濾波電路要實現50Hz頻率點輸出功率衰減;電壓放大模塊采用兩級放大來將小信號放大,以便為功率放大提供足夠電壓;功率放大模塊主要提高負載能力;AD轉換模塊便于單片機信號采集;顯示模塊則實時顯示功率和整機效率。

(二)MOS管功率放大器電路圖-硬件電路設計
1、帶阻濾波電路的設計
采用OP07組成的二階帶阻濾波器的阻帶范圍為40~60 Hz,其電路如圖2所示。帶阻濾波器的性能參數有中心頻率ω0或f0,帶寬BW和品質因數Q。Q值越高,阻帶越窄,陷波效果越好。

2、放大電路的設計
電壓放大電路可選用兩個INA128芯片來對微弱信號進行放大。若采用一級放大,當放大倍數較大時,電路可能不穩定,故應采用兩級放大,并在級間采用電容耦合電路,圖3所示是其電路圖。圖中,INA128具有低失調電壓漂移和低噪聲等性能指標,且放大倍數設置簡單,只用一個外部電阻就能改變放大倍數。
圖3中1、8腳跨接的電阻就是用來調整放大倍率,4、7腳需提供正負相等的工作電壓,2、3腳輸入要放大的電壓,并從6腳輸出放大的電壓值。5腳則是參考基準,如果接地,則6腳的輸出即為與地之間的相對電壓。
3、功率放大電路的設計
功率放大電路往往要求其驅動負載的能力較強,從能量控制和轉換的角度來看,功率放大電路與其它放大電路在本質上沒有根本的區別,只是功放既不是單純追求輸出高電壓,也不是單純追求輸出大電流,而是追求在電源電壓確定的情況下,輸出盡可能大的功率。
本電路采用兩個MOS管構成的功率放大電路,其電路如圖4所示。此電路分別采用一個N溝道和一個P溝道場效應管對接而成,其中RP2和RP3為偏置電阻,用來調節電路的靜態工作點。特征頻率fT放大電路上限頻率fH的關系為:fT≈fhβh,系統階躍相應的上升時間tr與放大電路上限頻率的關系為:trfh=0.35。

對于OCL放大器來說,一般有:PTM≈0.2POM,其中PIM為單管的最大管耗,POM為最大不失真輸出管耗。根據計算,并考慮到項目要求,本設計選用IRF950和IRF50來實現功率放大。
4、AD轉換電路的設計
此工作可由單片機內部的10位AD轉換器完成,但實驗發現,單片機的10位AD芯片的處理效果不是很好。因此本設計采用了兩個AD轉換芯片來對負載輸出的信號進行轉換,并使用單片機控制計算,然后送入液晶顯示其功率和效率。
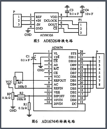
AD1674是一片高速12位逐次比較型A/D轉換器,該芯片內置雙極性電路構成的混合集成轉換器,具有外接元件少,功耗低,精度高等特點,并具有自動校零和自動極性轉換功能,故只需外接少量的電阻和電容元件即可構成一個完整的A/D轉換器。AD8326是TI公司推出的16位高速模數轉換器,其轉換速度快,線性度好,精度高。AD8326和A1674的電路連接圖分別如圖5和圖6所示。

5、顯示電路
本電路采用12864液晶來實時顯示輸出的功率、直流電源供給的功率和整機效率。該液晶具有屏幕反應速度快、對比度高、功耗低等優點。可以實現友好的人機交互。為了簡化電路,本設計采用串口連接。并在單片機的控制下,按照要求的格式顯示接收到的數據和字符信息。圖7為液晶顯示電路的連接圖。其中D0~D7為數據口,R/W為液晶讀寫信號,E是使能端。

6、系統軟件設計
由于本系統是低頻正弦信號的功率放大,要求能測量并顯示輸出功率、整機效率等信息,所以要用到AD轉換。AD芯片測量的交流信號,所以,測量的電壓數據進行比較,以獲得最大電壓值,此值即為正弦信號的最大值。而要想得到正弦信號的有效值,就要對最大值進行處理,從而獲得有效值。這樣,就可以將電源的輸出功率和供給功率,根據歐姆定律計算出其數值,并將測得的數據用液晶適時的顯示出來。
因此,本系統軟件實現的功能應當可以實現對正弦信號有效值的測量;同時能夠通過液晶準確顯示輸出功率和系統供給功率和整機效率。
圖8所示是本系統軟件的設計流程圖。

(三)MOS管功率放大器電路圖-功率音頻放大器
MOS管功率放大器電路圖之功率音頻放大器,使用1操作放大器TL071C一些電子元件和2功率MOSFET的晶體管可以被內置音頻功率放大器,可以提供音頻輸出功率高達8歐姆的負載45瓦。
T5和T6的場效應管的是潛在的差異驅動的奧迪R8和R13的。由于所需的電源電壓是遠遠高于正常為一個共同的運算放大器,晶體管T1和T2系列集成電路的電源線。這些晶體管提供固定的潛力,通過在±15 V齊納二極管D1和D2。因此,運算放大器的電壓將永遠是14.4五,
目前的設置是通過T3和T4的休息。這是非常重要的T4和T5熱耦合,使電流穩定放心。由放大器吸收的總電流調整電位器P1,約75毫安(在這種情況下,將通過FET的電流約70毫安)。
MOSFET晶體管,必須安裝至少1K / W散熱器上,穩定的±30V的電源,45瓦的放大器可提供8歐姆或4歐姆負載70瓦的負載。

烜芯微專業制造二極管,三極管,MOS管,橋堆等20年,工廠直銷省20%,1500家電路電器生產企業選用,專業的工程師幫您穩定好每一批產品,如果您有遇到什么需要幫助解決的,可以點擊右邊的工程師,或者點擊銷售經理給您精準的報價以及產品介紹

