太陽能路燈
太陽能路燈是采用晶體硅太陽能電池供電,免維護閥控式密封蓄電池(膠體電池)儲存電能,超高亮LED燈具作為光源,并由智能化充放電控制器控制,用于代替傳統公用電力照明的路燈。
30w太陽能路燈設計方案匯總及太陽能路燈原理圖
30w太陽能路燈設計方案(一)
太陽能路燈主要由太陽電池組件、組件支架、電控箱(內裝控制器、蓄電池)、燈桿(含燈具)等幾部分組成。系統示意圖如下圖:

設計流程
本系統設計過程主要包括:燈桿的選型,燈具的選型,太陽能組件的配置,蓄電池、控制器的配置,系統保護措施設定。
1、燈桿的選型
燈桿是整個路燈的支撐部分,對其硬度,高度,抗風能力,防腐等有較高的要求;現在常用的材料為Q235,通過一系列工藝加工而成,表面噴鍍80μm的防腐層。
本系統安裝路況為主干道,路寬30米,采用雙側對稱排布。根據路燈施工設計規范(見表1),本系統采用截光型燈具,安裝高度為10米(按照標準本應安裝高度為15M,但是考慮高度越高,需要燈具的功率越大,燈桿設計越復雜,綜合考慮后選擇燈桿為12米,燈具安裝高度為10米),間距為30米。

表1 燈具的配光類型、布置方式與燈具的安裝高度、間距的關系
2、路燈功率的選擇
根據路燈施工設計規范中對機動車交通道路照明標準(見表2)的要求,本系統屬于級別I,路面平均照度取20勒克斯(lx)。則由此可得出燈具的總光通量為:光通總量=(平均光照度*維護系數*照射面積)/(燈具數量*燈具利用系數)=(20*0.9*15*30)/0.95=8526lm。

表2 機動車交通道路照明標準值
3、蓄電池、電池板選型
選型過程:
(1)負載日耗電量Q=W*H/U=120*8/24=40Ah。式中U為系統蓄電池標稱電壓
(2)滿足負載日用電的太陽能電池組件的充電電流I1=Q*1.05/h/0.85/0.9=40*1.05/4.46/0.85/0.9A=12.3A式中1.05為太陽能充電綜合損失系數,0.85為蓄電池充電效率、0.9為控制器效率,h為標準峰值時數,為4.46小時。
(3)蓄電池容量的確定滿足連續5個陰雨天正常工作的電池容量CC=Q*(d+1)/0.8*1.1=40*6/0.8*1.1=330Ah式中0.8為蓄電池放電深度,1.1為蓄電池安全系數,選取2節12V180Ah的電池串成電池組。
(4)連續陰雨天過后需要恢復蓄電池容量的太陽能電池組件充電電流I2I2=C*0.8/h/D=330*0.8/4.46/20=2.96A式中0.8為蓄電池放電深度,D為兩次連續陰雨天間隔天數。
(5)太陽電池組件的功率為(I1+I2)*30=(12.3+2.96)*30=457Wp式中30為太陽電池組件工作電壓,選取2塊峰值功率為230W的太陽能電池組件。
控制器選型
控制器是整個路燈系統中充當管理者的關鍵部件,它的最大功能是對蓄電池進行全面的管理,好的控制器應當根據蓄電池的特性,設定各個關鍵參數點,比如蓄電池的過充點、過放點,恢復連接點等。
30w太陽能路燈設計方案(二)
分時、分壓控制太陽能燈,就是根據夜晚不同時間段人們對光照度的不同要求,以及太陽電池白天吸收能量的大小,控制太陽能燈的輸入功率,達到用最小成本設計出能夠滿足最惡劣氣象條件下人們對太陽能燈的最基本要求的目的。
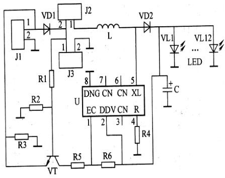
該控制電路適合以12只LED為光源的草坪燈。U中包含驅動、光控檢測、脈寬調制、電池電壓檢測等電路。其1腳為使能端,2腳為電源電壓端,4腳為負載電流調整口,5腳為開關口,8腳為接地端,3、6、7均懸空。改變R4的阻值可以改變LED的工作電流,其最大允許電流為500mA,M接地時電流最小。
J1為太陽電池,J2為電源開關,J3為2節鎳氫電池。為了降低管壓降,VD1、VD2可采用肖特基二極管。改變R5、R6可調節蓄電池的分壓保護值,改變R1、R2可調節分時值。該電路能在盡可能降低太陽電池成本的基礎上,保證照明時間,具有很高的性價比。

30w太陽能路燈設計方案(三)
用PIC12F675單片機制作的太陽能路燈控制器

PIC 12F675控制蓄電池的過充電、過放電,開、關路燈功能,定時點亮、天黑自動點亮、延時點亮、自動跟蹤點亮等功能,路燈點亮測試控制功能,LED指示功能等。
由蓄電池 BTl 、蓄電池過充電控制執行場效應管 01 、三端穩壓器 U1 組成電源供電系統; Q2 、 Q4.組成放電控制;K1 手動, R_GM1 光控自動開燈系統,蓄電池分壓電阻,發光指示二極管等部分組成。
太陽能電池板電壓由接口J3輸入.經防反充二極管 D1 后分成兩路,一路經 U1 LM 78L 05 穩壓后,為 PIC 12F675單片機提供工作電源,另一路經 FB 保險絲給蓄電池充電。單片機上電后,首先由 Rf 、 Cf組成的硬件電路進行復位.然后由軟件控制U2 ③腳 GP4 輸出高電平,讓 Q4 導通、 Q2 截止,控制系統停止放電,再檢測 U2⑦腳 GP0 上的分壓值,通過內部 A/ D 轉換及軟件運算間接檢測、判斷蓄電池是否欠壓、過壓。
若蓄電池發生過充電,則通過軟件控制U2 ②腳 GP5 輸出高電平,使 Q1導通.短路太陽能電池板、停止向蓄電池充電,同時點亮“過充電”指示燈 LED2;若未發生過充電,則 U2 ②腳 GP5輸出低電平,允許蓄電池充電。通過檢測 U2 ⑥腳 GP1 所接的光敏電阻R_GM1上的分壓值,判斷是否已經“天黑,到了開路燈時間”,若到了預設的開燈點,則由軟件控制 u2 ③腳 GP4 輸出低電平,使 Q4截止、02 導通,點亮路燈。若不到開燈點,則程序返回,循環檢測上述諸參數。
30w太陽能路燈設計方案(四)
電路原理見圖所示。該電路由以U5為核心組成的蓄電池過充電控制電路、以 U 4A ~U4D為核心組成的蓄電池電壓指示電路及顯示電壓按鈕開關 KS1 電路、以 U1B 組成的蓄電池過放電控制電路、以 U1A組成的開燈檢測控制電路、以 U2 組成的開燈及延時熄燈及二次開燈定時控制電路,以及以控制三極管Q2驅動繼電器組成的輸出控制電路等組成。現分別介紹如下。

(1) 過充電、過放電檢測保護部分
太陽能電池組件板或陣列由插口 CZ1 的①腳輸入,加至防反充電二極管 D2 的正極.D2的負極接 12V 蓄電池的正極,即 CZ1 的③腳。控制器在初始上電時,由于 C4 的作用使 U5②腳為低電平,③腳輸出高電平,Q7 導通; Q8 截止,允許太陽能電池給蓄電池充電。
(2) 開燈檢測方法與控制
太陽能電池板是一個很好的光敏元件,其輸出電流、電壓能隨著接受光的強度和照度變化而變化,本控制器就是利用這一原理實現開、關燈控制的。太陽能電池板PVin 輸入電壓經 R5 、 R6 串聯分壓后;加至運放 U 1A ②腳,其③腳接于 R9 、R8+VR1的分壓點上。在白天,太陽能電池板在陽光的照射下輸出電壓很高,其經 R5 、 R6 分壓后使運放 U 1A②腳電壓高于③腳, U 1A①腳輸出低電平, Q1 截止, U2 無供電電壓不工作,Q2截止,繼電器不吸合,系統無輸出電壓,路燈不工作。隨著天色漸黑,太陽能電池板輸出電壓降低。
(3) 路燈延時電路點亮、熄滅控制電路
延時控制電路選用 CD4541BE 可編程定時控制芯片,它功耗低、內置可編程分頻器電路,最大分頻級數為 65536 級。
本控制器設計定時開燈和定時關燈時間調節范圍是: 2 . 093 小時 -11 . 93 小時.分別由 V : R2 和VR3控制調節。
(4) 蓄電池停止放電優先控制電路
若在路燈欲點亮或已點亮時,蓄電池電壓已經低于其允許終止放電值時, Q4 導通.此時無論 U 1A 輸出高電平與否,均會使Q1截止,從而保護蓄電池避免過放電損壞。
(5) 電池電壓指示電路
為了讓現場看管、維護人員及時了解、掌握蓄電池的狀態,本控制器設有 LED 電池電壓指示裝置,通過LLED點亮的數量指示蓄電池電壓的高低。
30w太陽能路燈設計方案(五)
描述TPS61165的工作輸入電源電壓介于3V~18V之間,可提供高達38V的輸出電壓。該器件具有額定40V集成型開關FET,可驅動多達10個串聯LED。其可在1.2MHz固定開關頻率下工作,不僅能夠顯著降低輸出紋波、提升轉換效率,而且還允許使用小型外部組件。在默認情況下,白光LED(WLED)的電流由外部感測電阻RSET設定,反饋電壓穩定在200mV。

該設計的重要優勢在于擁有極高的效率和良好的LED穩流性能。TPS61165可在能夠穩定LED電流的恒流模式下工作。CTRL引腳可同時用于數字與PWM調光的控制輸入。每次啟用器件時即可選擇TPS61165的調光模式。通過改變反饋參考電壓也可實施模擬調光。
可使用20k歐的可變電阻來改變LED電流,以達到調光的目的。轉換器可在350mA條件下將電壓從6V提升至10.5V,轉換效率不低于85%。該電路可用于驅動三個1W的LED或輸入總功率不超過3W的多個50mA的LED。
30w太陽能路燈設計方案(六)
下圖所示所示太陽能燈電路是一種低損耗電路,使用一只7W四引腳CFL(小型熒光燈)和一塊12V、7-Ahr密封免維護電池。逆變器的效率大于85%,靜態電流小于2mA。它有一個帶電池過放電保護功能和過充電保護功能的并聯充電控制器。
低靜態電流、過放電保護功能和過充電保護功能三者確保電池使用壽命很長。逆變器的預熱功能可以避免CFL兩端變黑,從而延長其使用壽命。這一電路可在農村地區用作一種可靠小巧的便攜式光源,在城市用作應急燈系統。
并聯充電控制器電路包括IC1(低電流2.5V電壓基準源LM385)和IC2(LM324比較器)。配有電阻R1 ~ R8和三極管Q1的IC2A可防止電池過放電。

這種太陽能供電的電燈驅動器可用作應急燈系統。
烜芯微專業制造二極管,三極管,MOS管,橋堆等20年,工廠直銷省20%,1500家電路電器生產企業選用,專業的工程師幫您穩定好每一批產品,如果您有遇到什么需要幫助解決的,可以點擊右邊的工程師,或者點擊銷售經理給您精準的報價以及產品介紹
烜芯微專業制造二極管,三極管,MOS管,橋堆等20年,工廠直銷省20%,1500家電路電器生產企業選用,專業的工程師幫您穩定好每一批產品,如果您有遇到什么需要幫助解決的,可以點擊右邊的工程師,或者點擊銷售經理給您精準的報價以及產品介紹

