7805引腳圖與參數-7805引腳圖及電路
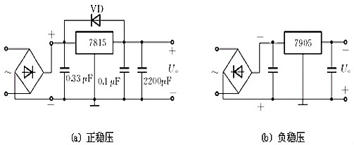
(1)集成三端穩壓器根據穩定電壓的正、負極性分為78×××,79×××系列。附圖給出了正、負穩壓的典型電路。

正、負穩壓7805電路
(2)7805引腳圖和參數-三端穩壓器的型號規格和管腳分布

附表1-17 三端穩壓器輸出電流字母表示法

例如:78M05三端穩壓器可輸出+5 V、0.5 A的穩定電壓;7912三端穩壓器可輸出 12V、1A的穩定電壓。
(3) 外形及管腳分布,如附圖1-25所示。

烜芯微科技7805引腳圖和參數、規格書
7805 1A 引腳圖和參數、規格書
(1)引腳圖

(2)規格書
查看規格書,請點擊下圖。

7805 1.5A 引腳圖和參數、規格書
(1)引腳圖

(2)規格書
查看規格書,請點擊下圖。

烜芯微專業制造二極管,三極管,MOS管,橋堆等20年,工廠直銷省20%,1500家電路電器生產企業選用,專業的工程師幫您穩定好每一批產品,如果您有遇到什么需要幫助解決的,可以點擊右邊的工程師,或者點擊銷售經理給您精準的報價以及產品介紹

